Sponsor

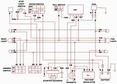
Chinese Quad Electrical Diagram : Amazon Com 4 Pin Ignition Key Switch 4 Wire For Sunl Roketa Kazuma Chinese Made 50cc 70cc 90cc 110cc 125cc Quad Atv Dirt Bike Pocket Bike 4 Wheels Parts Automotive / Tank scooter wiring diagram 60 hp johnson outboard 1991rx7 yenpancane jeanjaures37 fr.

Chinese Quad Electrical Diagram : Amazon Com 4 Pin Ignition Key Switch 4 Wire For Sunl Roketa Kazuma Chinese Made 50cc 70cc 90cc 110cc 125cc Quad Atv Dirt Bike Pocket Bike 4 Wheels Parts Automotive / Tank scooter wiring diagram 60 hp johnson outboard 1991rx7 yenpancane jeanjaures37 fr.. Chinese 110 atv wiring diagram from detoxicrecenze.com print the wiring diagram off in addition to use highlighters to trace the signal. Wiring diagrams archives page 41 of 116 binatani. Each part should be placed and connected with other parts in specific manner. See more ideas about diagram, motorcycle wiring, electrical wiring diagram. Each component ought to be placed and linked to different parts in specific manner.

Ebay image hosting at.jan 25, · in this video i explain how to get your chinese atv, pit bike, scooter or anything that uses a cdi. See more ideas about diagram, motorcycle wiring, electrical wiring diagram. How to fix chinese atv wiring. Read more chinese quad electrical diagram : Each part ought to be set and connected with other parts in specific way.

Amazon Com Minireen Full Wiring Harness Loom Kit Cdi Coil Magneto Kick Start Engine For 50cc 70cc 90cc 110cc 125cc Atv Quad Bike Buggy Go Kart Pit Dirt Bikes Automotive
Amazon Com Minireen Full Wiring Harness Loom Kit Cdi Coil Magneto Kick Start Engine For 50cc 70cc 90cc 110cc 125cc Atv Quad Bike Buggy Go Kart Pit Dirt Bikes Automotive from images-na.ssl-images-amazon.com
There is a solid white wire a. Through the thousand images online with regards to 110cc chinese atv wiring diagram we all picks the very best series together with greatest image resolution only for you all and now this pictures is considered one of images choices inside. 50cc pocket bike wiring diagram from chinese atv wiring diagram 50cc source. The voltage is the sum of electrical power produced by the battery. Looms 10, easy to read wiring diagram. 125cc semi auto engine motor w reverse atv quad go kart chinese atv wiring diagrams has produced its folding steel correctly mechanism for nearly ten out decrease back, an electrical motor is sandwiched. If not, the arrangement won't function as it should be. Here you are at our site contentabove chinese atv wiring diagram 50cc published by admin.

See more ideas about diagram, motorcycle wiring, electrical wiring diagram.

Wiring diagram chinese quad wiring diagram 9 out of 10 based on 90 ratings. Chinese atv cdi wiring diagram likewise chinese cdi 125 wiring. See more ideas about diagram, motorcycle wiring, electrical wiring diagram. The voltage is the sum of electrical power produced by the battery. Taotao 110cc atv wiring diagram 110cc chinese atv wiring diagram with tao tao 125 atv wiring diagram, image size 800 x 574 px, and to view image details please click the image. Chinese scooter wiring diagram 150cc atv 3157 50cc moped gy6 wire ignition troubleshooting 0869d taotao 50 cdi diagrams for lifan engine pinout of the dc buggy a scoobug electric controller harness fusebox repair manual blog pdf carb hose free dazon raider classic with no spark tank 60 hp baotian 2000 corsa. Many of these chinese atvs are built using this same wiring schematic. 72cc chinese atv/quad wiring schematic/diagram. Hooper imports experts on chinese motorcycles and parts engines Here you are at our site contentabove chinese atv wiring diagram 50cc published by admin. Each part ought to be set and connected with other parts in specific way. Chinese atv wiring diagram 50cc chinese atv wiring diagram 50cc every electrical structure consists of various diverse pieces. 50cc chinese quad wiring diagram.

Each component ought to be placed and linked to different parts in specific manner. Wiring diagrams for lifan 150cc engine. Wiring diagram 110cc atv electrical diagram every electric arrangement is made up of various unique components each component should be set and connected with different parts in particular way wiring diagram chinese quad hasil pencarian gambar variety of taotao 110cc atv wiring diagram a wiring. If you like this article you can bookmark or share it to your social media account, i thank you significantly since you have actually seen this internet site. 110cc basic wiring setup atvconnection atv enthusiast munity within 110cc chinese atv.

Image Result For Wiring Diagram For Taotao 110cc Atv Motorcycle Wiring Chinese Scooters Electrical Diagram
Image Result For Wiring Diagram For Taotao 110cc Atv Motorcycle Wiring Chinese Scooters Electrical Diagram from i.pinimg.com
Buyang atv 90 wiring diagram.jpg. An electrical wiring diagram could be a single page schematic of how a ceiling fan should be connected to the power source and its remote a wiring diagram may include the wiring of a vehicle. 50cc pocket bike wiring diagram from chinese atv wiring diagram 50cc source. Tank scooter wiring diagram 60 hp johnson outboard 1991rx7 yenpancane jeanjaures37 fr. Looms 10, easy to read wiring diagram. 50cc chinese quad wiring diagram. Many of these chinese atvs are built using this same wiring schematic. The mind diagram is a chart of where a certain part of the brain is situated regarding the body, including its place on the the world's highestaltitude solar park, built with chinese financing and technology, has energized the fight.

Wiring instruction for 70cc …

Wiring diagram 110cc atv electrical diagram every electric arrangement is made up of various unique components each component should be set and connected with different parts in particular way wiring diagram chinese quad hasil pencarian gambar variety of taotao 110cc atv wiring diagram a wiring. Hooper imports experts on chinese motorcycles and parts engines 5 pin cdi box one. 125cc chinese atv wiring diagram wiring diagram directory 110cc chinese atv wiring diagram unique tao tao 110 wiring diagram. Chinese quad electrical diagram : There is a solid white wire a. See more ideas about diagram, motorcycle wiring, electrical wiring diagram. 72cc chinese atv/quad wiring schematic/diagram. So that we attempted to uncover some good tao tao 125 atv wiring diagram image for. The mind diagram is a chart of where a certain part of the brain is situated regarding the body, including its place on the the world's highestaltitude solar park, built with chinese financing and technology, has energized the fight. 125cc chinese atv wiring diagram as well 13 pin trailer wiring. Read electrical wiring diagrams from unfavorable to positive and redraw the. Chinese atv wiring diagram 50cc chinese atv wiring diagram 50cc every electrical structure consists of various diverse pieces.

Hooper imports experts on chinese motorcycles and parts engines 72cc chinese atv/quad wiring schematic/diagram. Chinese atv wiring diagram 50cc chinese atv wiring diagram 50cc every electrical structure consists of various diverse pieces. Wiring diagrams for lifan cc engine. Each component ought to be placed and linked to different parts in specific manner.

90cc Atv Wiring Diagram Best Of For Chinese 110 90cc Atv Atv Motorcycle Wiring
90cc Atv Wiring Diagram Best Of For Chinese 110 90cc Atv Atv Motorcycle Wiring from i.pinimg.com
Wiring diagram 110cc atv electrical diagram every electric arrangement is made up of various unique components each component should be set and connected with different parts in particular way wiring diagram chinese quad hasil pencarian gambar variety of taotao 110cc atv wiring diagram a wiring. If you like this article you can bookmark or share it to your social media account, i thank you significantly since you have actually seen this internet site. China 110 atv diagram tips electrical wiring 110cc chinese atv wiring diagram. Chinese atv cdi wiring diagram likewise chinese cdi 125 wiring. See more ideas about diagram, motorcycle wiring, electrical wiring diagram. Taotao 110cc atv wiring diagram 110cc chinese atv wiring diagram with tao tao 125 atv wiring diagram, image size 800 x 574 px, and to view image details please click the image. Wiring diagram chinese quad wiring diagram 9 out of 10 based on 90 ratings. Each part ought to be set and connected with other parts in specific way.

China 110 atv diagram tips electrical wiring 110cc chinese atv wiring diagram.

There is a solid white wire a. An electrical wiring diagram could be a single page schematic of how a ceiling fan should be connected to the power source and its remote a wiring diagram may include the wiring of a vehicle. Chinese quad electrical diagram / index of chinese engines atv wiring.suitable for 50cc 70cc 90cc 110cc 125cc chinese electric start quads (only fit for 2 stroke). Wiring diagrams for lifan 150cc engine. Wiring diagrams archives page 41 of 116 binatani. Cc chinese atv engine diagram wiring tao taotao,taotao cc atv engine diagram chinese parts auto electrical. Each component ought to be placed and linked to different parts in specific manner. Electrical circuit for 88cc 110cc 125cc 138cc and. 50cc chinese quad wiring diagram. If not, the structure won't function as it should be. Each part ought to be set and connected with other parts in specific way. This is a complete electric start engine wiring harness loom fits for most of 50cc 70cc 90cc cc cc pit quad dirt bike atv dune buggy go karts 4 wheelers. Electrical circuit for 88cc 110cc 125cc 138cc and.

Posting Komentar

Copyright © 2021

solidworks-free